7-8 카운터의 부호화
- 디지털 카운터는 숫자가 표시되어야 하는 곳에 주로 쓰인다.
1. 카운터 출력에 decoder를 부착해 한 개의 신호만 active(HIGH or LOW)가 되도록 만든다.
2. BCD 카운터의 디코딩
- 7-segment display (led 표시)를 부착할 수도 있다.
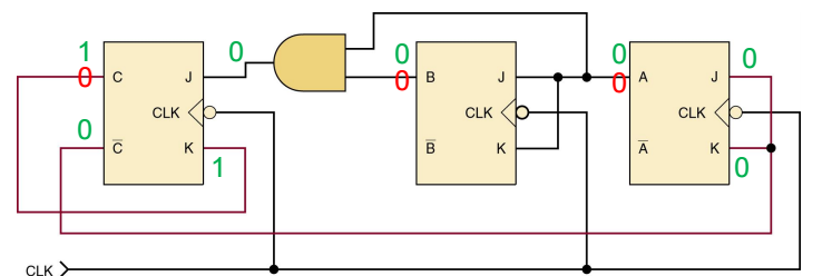
7-9 동기식 카운터의 분석

- 위 그림과 같은 동기식 카운터는 보통의 2진 업타운터와른 다른 J, K입력을 갖는다. 이처럼 제어회로를 약간 변경하면 카운터가 다른 계수 순차를 발생하게 할 수 있다.
A Present state/next state table 만들기
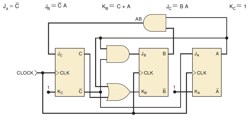
7-10J/K FF를 사용한 커스텀 카운터 설계하기 ex) MOD5 counter
1. 비트 수와 카운팅 순서를 정한다

2. 모든 가능한 상태를 보여주는 state transition diagram을 그린다. ( 카운팅 시퀀스에 포함되지 않는 경우까지 고려)

3. state transition diagram을 바탕으로 모든 present state와 next state를 열거하는 표를 작성한다.

4. present state에 대해 next state로 전환하기 위한 필요한 J, K입력의 값을 표시한다.

cf ) J-K excitation table

5. 각 J, K 입력의 값을 생성하는 데 필요한 논리회로를 설계한다.

6. 최종표현식을 구한다.

7-10 D FF를 사용한 커스텀 카운터 설계하기
STEP 1,2 생략
3. present state, next state , 제어 입력(d)
- next state와 d control input이 동일하다.
- J/K FF를 이용한 동등한 카운터보다 일반적으로 복잡하지만, 제어할 입력의 수가 절반으로 줄어든다(D)
Stepper Motor Control
D : direction
보통 0 이면 시계방향 up counter, 1 이면 down counter
step 3,4에서 현재 상태에 D(방향상태)가 포함된다.
따라서 제어입력에 대한 카르노맵( 입력 기준)을 그려보면, 카르노맵 크기는 d 상태+기존 상태 bit 수이고, 플립플롭의 개수는 그대로 기존 상태 bit 수를 유지한다.
'Major S-T-U-D-Y > Digital System' 카테고리의 다른 글
| [논리회로] 7 (1) 비동기적(ripple) 카운터와 동기적 카운터(mod/up-down/presettable) (1) | 2024.11.29 |
|---|---|
| [논리회로] 5 (2) S-R Flip-Flop 과 J-K Flip-Flop (0) | 2024.11.17 |
| [논리회로] 5 (1) NAND/NOR Gate Lanch (set/reset) (0) | 2024.11.17 |
| [논리회로] 8 (2) 벨로그_if-else와 case 문 (0) | 2024.11.17 |
| [논리회로] 8 (1) 벨로그 기초 문법과 테스트벤치 (1) | 2024.11.17 |
7-8 카운터의 부호화
- 디지털 카운터는 숫자가 표시되어야 하는 곳에 주로 쓰인다.
1. 카운터 출력에 decoder를 부착해 한 개의 신호만 active(HIGH or LOW)가 되도록 만든다.
2. BCD 카운터의 디코딩
- 7-segment display (led 표시)를 부착할 수도 있다.
7-9 동기식 카운터의 분석

- 위 그림과 같은 동기식 카운터는 보통의 2진 업타운터와른 다른 J, K입력을 갖는다. 이처럼 제어회로를 약간 변경하면 카운터가 다른 계수 순차를 발생하게 할 수 있다.
A Present state/next state table 만들기
7-10J/K FF를 사용한 커스텀 카운터 설계하기 ex) MOD5 counter
1. 비트 수와 카운팅 순서를 정한다

2. 모든 가능한 상태를 보여주는 state transition diagram을 그린다. ( 카운팅 시퀀스에 포함되지 않는 경우까지 고려)

3. state transition diagram을 바탕으로 모든 present state와 next state를 열거하는 표를 작성한다.

4. present state에 대해 next state로 전환하기 위한 필요한 J, K입력의 값을 표시한다.

cf ) J-K excitation table

5. 각 J, K 입력의 값을 생성하는 데 필요한 논리회로를 설계한다.

6. 최종표현식을 구한다.

7-10 D FF를 사용한 커스텀 카운터 설계하기
STEP 1,2 생략
3. present state, next state , 제어 입력(d)
- next state와 d control input이 동일하다.
- J/K FF를 이용한 동등한 카운터보다 일반적으로 복잡하지만, 제어할 입력의 수가 절반으로 줄어든다(D)
Stepper Motor Control
D : direction
보통 0 이면 시계방향 up counter, 1 이면 down counter
step 3,4에서 현재 상태에 D(방향상태)가 포함된다.
따라서 제어입력에 대한 카르노맵( 입력 기준)을 그려보면, 카르노맵 크기는 d 상태+기존 상태 bit 수이고, 플립플롭의 개수는 그대로 기존 상태 bit 수를 유지한다.
'Major S-T-U-D-Y > Digital System' 카테고리의 다른 글
| [논리회로] 7 (1) 비동기적(ripple) 카운터와 동기적 카운터(mod/up-down/presettable) (1) | 2024.11.29 |
|---|---|
| [논리회로] 5 (2) S-R Flip-Flop 과 J-K Flip-Flop (0) | 2024.11.17 |
| [논리회로] 5 (1) NAND/NOR Gate Lanch (set/reset) (0) | 2024.11.17 |
| [논리회로] 8 (2) 벨로그_if-else와 case 문 (0) | 2024.11.17 |
| [논리회로] 8 (1) 벨로그 기초 문법과 테스트벤치 (1) | 2024.11.17 |